projektit:wanhat:kaiuttimen_rajoitin

Kaiuttimen rajoitin alkoi tarpeesta rajoittaa äänen toiston luukuttamista tietyssä opiskelija-asuntolassa. Siellä vaihto-opiskelijat kuuntelivat kerhohuoneella hieman liian lujalla musiikkia ja astmk oli saanut asiasta valituksia.

Alunperin piti olla yksinkertainen johtojen väliin vastus ja kutistesukkaa ratkaisu. Sitten tuli vaikka mitä ideoita ircissä esille. Suunnitelmissa tällä hetkellä ainakin v2.0 jonkinlainen kötö tarkoitus tehdä.

Versio 1.0

Kiitos #telok irkkaajien, projekti sai pientä ideaa miten toteuttaa. Hrst taasen neuvoi kircadin käytössä ja saman iltana eka versio olikin kotelointia vaille valmis.

thumb|Ensimmäisen version levy. Tarkoitus oli alkaa yksinkertaisesti

  • 2 kappaletta 22 ohmin tehovastuksia, arviolta 5 watin luokkaa
  • 2 kappaletta ruuviliitin häsmäköitä, joissa oli kussakin 4 ruuvi input/ouputtia
  • 4 johdinta joilla toinen ruuviliitin kiinnitettiin koska ei ollut tietoa kotelon koosta.

Versio 2.0

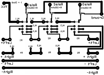
Seuraavassa versiossa olisi tarkoitus olla useampi tehovastus ja releitä ohjaamassa mitä kombinaatiota käytetään. Releitä ohjattaisiin mikrokontrollerilla, esim ELE-2000 kurssin kännykällä, johon tekstiviestit kertoisivat milloinka mikä linja auki. thumb|Toinen versio rele ohjauksella. Vastuksia tuli vain 3, levystä olisi kasvanu muuten omille taidoille liian monimutkikas. Toisessa versiossa on jätetty hyppylangoille paikat jos halutaan mahdollisesti liittää enemmän vastuksia samojen releiden ohjaukseen.

Versio 3.0

Menee kenties jo liiaksi unelmoimiseksi mutta bluetooth palikka ja mikrokontrolleri ohjaamassa releitä, kännykässä softa jolla kontrolloidaan.

  • projektit/wanhat/kaiuttimen_rajoitin.txt
  • Viimeksi muutettu: 2019/09/18 20:31
  • (ulkoinen muokkaus)